ЗАКАЗАТЬ ЗВОНОК

Закажите звонок нашего специалиста, и вам перезвонят в указанное время.

Ваше имя *
Телефон *
Город и удобное время для звонка

Отправляя сообщение, вы даёте своё согласие на обработку персональных данных.

Ваш город:
  • Новосибирск
    • Новосибирск
    • Барнаул
    • Кемерово
    • Новокузнецк
    • Томск
    • Красноярск
Ближайший к Вам город: Новосибирск
Выбрать другойДа, верно
Дуси Ковальчук, 378а, к. 3

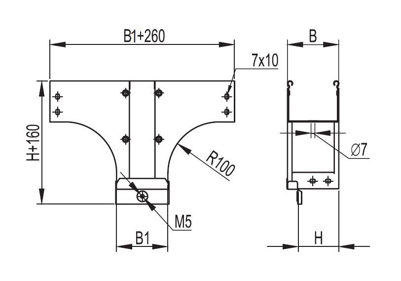
37617K Ответвитель-переходник TDSA Т-обр. вертикальный 300/400 в комплекте с крепежными элементами DKC

Розничная цена
8 508.66 Р/упак
В корзину
Поделиться
Производитель: DKC
Ответвители – это аксессуары, облегчающие построение кабельных трасс сложной геометрии, с поворотами и изгибами. Они позволяют создавать ответвления кабельной трассы. Ответвитель-переходник TDSA имеет Т-образную форму и применяется для организации поворотов и ответвлений в вертикальной плоскости. Его конструктив обеспечивает плавный поворот и предупреждает повреждение кабеля при прокладке. При применении вместе с крышкой обеспечивается высокая степень пыле- и влагозащиты кабеля – до IP 44, и при этом простой доступ к кабелю, т.к. крышку можно снять при необходимости. Исполнение – "сталь, оцинкованная по методу Сендзимира". Высота боковой стенки лотка – 80 мм, ширина в горизонтальном направлении – 300 мм, ширина в вертикальном направлении – 400 мм. В комплект входят элементы, необходимые для качественного и надежного монтажа – соединительные пластины и крепежные элементы.

Вернуться назад

Похожие товары
Оставить отзыв или задать вопрос
Ваше имя *
Телефон
e-mail
Ваш отзыв, комментарий или вопрос *

Отправляя сообщение, вы даёте своё согласие на обработку предоставленных выше персональных данных.